April 19, 2009, 20:59
Andrea SchiaviROCKFORD GRADE?
CAN YOU HELP IN IDENTIFING WHICH ROCKFORD GRADE IS THIS HUNTER WATCH?
THANKS.

April 19, 2009, 21:41
Jerry KingAndrea,
According to the database by Henry Burgell, your watch is a grade 665, 17j, 16s & 2750 in grade.... It also says that the watch should have a wind indicator....ca. 1910
Regards,
Jerry
April 19, 2009, 21:47
Andrea SchiaviHi Jerry,
this movement looks like a 18 size and it is hunter no wind indicator.It is completely different from a grade 665..It is not my watch,i have seen it in a website but i cannot figure out the grade

Thanks,
Andrea
April 19, 2009, 21:51
Andrea SchiaviHere is a grade 665 in 16 size taken from an Ebay listing.
Andrea
April 19, 2009, 22:07
Jerry KingYep, that's more like it....3/4 plate and all....with wind indicator....
April 19, 2009, 22:28
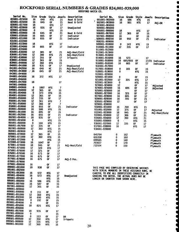
Robert SchusselAccording to Ehrhardts Rockford Book the watch is an 18 size 17j Hunter--no grade has been assigned.
Bob
April 19, 2009, 23:15
David AbbeThis is the page from Ehrhardt's book. Grading may not have been assigned to these late production models.
April 19, 2009, 23:23
David AbbeYours was at least recognized as a Hunter Case Movement, my Open Face is not even recognized on the list by Movement type.
April 20, 2009, 07:46
Andrea SchiaviThanks guys!It is always great to learn something and here is the best place!
Andrea